(精品直線左右運動)活塞往復氣動振動器FP-32-M,FP40-M,FP50-M,FP60-M(FP全系列 )

產品名稱:(精品直線左右運動)活塞往復氣動振動器FP-32-M,FP40-M,FP50-M,FP60-M(FP全系列 )
產品說明:

(飛馳 FEICHIAN )質保兩年

活塞往復氣動振動器 直線 左右振動 上下振動  可任意角度安裝,耗氣少。

外觀漂亮,性能穩定,質量可靠,動力和頻率均可調

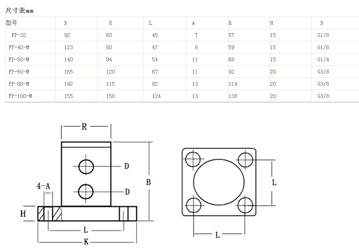
FP32 FP-40-M  FP-50-M FP-60-M FP-80-M FP-100-M全系列




 為了達到振動的精密度,為此我們建立了一套完整的品控體系


活塞往復振動器FP30/40/50/60/80/100M全系列

  • 下一條信息: :(直線,左右運動)FP-40-M氣動震動器FP60-M FP80-M 活塞振動器FP-100-M
  • 上一條信息: (質保兩年)活塞往復氣動振動器 FP-32 FP-40-MFP-50-M FP-60-M FP-80-M FP-100-M全系列